MSX EXPERT 4

Placa MSX 2+ para gabinetes Expert da Gradiente

Diagramas Esquemático

Esquemas Eletrônicos Placa Expert4

por Ademir Carchano

Atualizado em 18/Maio/2022

CPU - Z84C0010

Processador principal responsável pelo sincronismo e processamento de todos os programas e o acesso aos periféricos do MSX.

Clique para abrir CPU.pdf

RESET

A parte de cima do circuito é a responsável pela sincronização de partida de todo o sistema. Acontece quando o computador é ligado ou um dos botões de RESET pressionado.

A parte de baixo da figura mostra o circuito de RESET a QUENTE que só existe nos micros MSX 2+, ele permite que o micro seja reiniciado por software sem que seja feito um teste destrutivo de medição da mémória RAM que é o normal quando se liga o computador para mostrar a quantidade de memória RAM disponível.

Clique para abrir RESET.pdf

WAIT em cada M1

Esse circuito gera um sinal de WAIT no Z80 a cada ciclo M1. O M1 é o ciclo do Z80 que vai buscar as instruções nas memórias e normalmente é composto por 3 pulsos de clock, com o acréscimo do sinal de WAIT o ciclo M1 passa a durar 4 pulsos de clock isso para ter certeza que o Z80 poderá acessar memórias mais lentas, o normal das EPROMs.

Clique para abrir WAITM1.pdf

BUFFER

Esse circuito é utilizado para aumentar a capacidade do Z80 de fornecer sinal para os outros circuitos integrados conhecido como FAN-OUT, que é o número máximo de portas lógicas que podem ser alimentadas por um sinal.

Note que os sinais das linhas de endereço A0 e A1, por terem muitas conexões internas, são amplificados por outras duas portas lógicas separadas das normais do BUFFER.

Clique para abrir BUFFER.pdf

EPROM - ROM e SUBROM

A EPROM é a memória permanente onde estão armazenados os programas principais do MSX, a BIOS e o MSX-BASIC.

A SUBROM contém as rotinas de tratamento das características novas do MSX2+ em relação ao MSX1 basicamente as de tratamento de vídeo e as do sintetizador OPLL-FM.

Na Expert4 a ordem de gravação na memória, nos 64KBytes da EPROM, é a seguinte, entre 0000h e 7FFFh está a SUBROM e entre 8000h e FFFFh está a ROM.

Clique para abrir EPROM.pdf

PPI - 82C55

A PPI - Interface de Periféricos Programável possui 3 portas lógicas de 8 bits programáveis para sinais de entrada ou saída.

A Porta A é a responsável pela seleção de SLOTs, ela armazena os bits que serão decodificados pelo restante do circuito seletor de SLOT

A Porta B faz a leitura das teclas do teclado de acordo com a varredura feita pelos sinais da Porta C.

A Porta C nos 4 bits inferiores, PC0 a PC3, envia o sinal de varredura das teclas do teclado, o PC4 é para acionar o Rele de controle do motor do gravador de fita cassete, o PC5 fornece o sinal de áudio para gravação de programas na fita cassete, o PC6 aciona o LED do CAPS-LOCK e o último bit, PC7, é quem gera o som de CLICK das teclas.

Clique para abrir PPI.pdf

Seletor de I/O

Esse circuito é o responsável pela geração dos sinais de seleção dos diversos periféricos internos do MSX

IO90 - PRT - Saída para Impressora
IO98 - VDP - Processador de Vídeo
IOA0 - PSG - Gerador de som MSX1
IOA8 - PPI - Slots, Teclado e K7
IOB4/B5 - RTC - Relógio/Calendário
IOB6 - TURBO - Gerador de Clock Turbo 7MHz
IOB7 - HOT-RESET - Reset a Quente
IO7C - FM - Gerador FM/OPLL
IOFC - Mapper - Mapeamento da memória RAM

Clique para abrir IOSEL.pdf

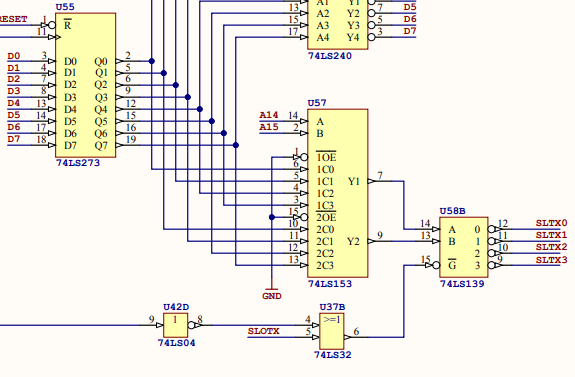
EXPANSOR DE SLOT

O circuito Expansor de Slots permite multiplicar por quatro a quantidade de conectores de cada SLOT primário.

Isso possibilita, por exemplo, que tenhamos num único SLOT principal a Memória RAM, a SUBROM e mais dois conectores para cartuchos que podem ser conectados dentro do gabinete como Megaram e Interface de drive, necessária no caso do DDPlus.

Clique para abrir EXPSLOT.pdf

VDP - V9938/V9958

O Processador de Vídeo é o responsável pela geração da imagem que vai ser enviada ao monitor ou ao televisor.

Na Expert4 existe a possibilidade de se utilizar o V9938-MSX2 ou o V9958-MSX2+, bastando trocar o VDP e a SUBROM que contém os comandos para cada processador.

A quantidade de memória VRAM normal é de 128KBytes que pode ser expandida para até 192KBytes.

Clique para abrir VDP.pdf

PSG - AY3-8910

O Programable Sound Generator - PSG é o responsável pela geração do som original dos MSX.

São três canais de sons com timbres variados, 8 oitavas e um canal de ruído branco, para efeitos sonoros, também é responsável pelo controle dos Joysticks e leitura do sinal de áudio da entrada de fita K7.

Na Expert4 os 3 canais de som são separados e posteriormente mixados aos canais do FM gerando um efeito estéreo.

Clique para abrir PSG.pdf

PRT - Saída para Impressora

Saída de comunicação com impressora paralela. Permite a conexão de vários tipos de impressoras matriciais ou não que aceitem protocolo no padrão Epson.

Clique para abrir PRT.pdf

RTC - Real Time Clock - RP5C01

Relógio/Calendário em tempo real, mantido a bateria, que atualiza automaticamente hora e data com área de RAM Estática que guarda as configurações feitas pelo comando SCREEN e o tipo de BEEP.

Clique para abrir RTC.pdf

FM - YM2413

Sintetizador de sons por modulação em FM. São mais 9 canais de áudio com vários timbres e oitavas e 3 canais de timbres de bateria para acompanhamento.

Na Expert4 os canais são separados e mixados aos canais do PSG e às entradas dos cartuchos externos.

Clique para abrir FM.pdf

Memory Mapper - Memória Mapeada

Área de memória mapeada por portas lógicas que permite aos micros MSX acessar até 4 Mega Bytes de memória onde o Z80 enxerga normalmente só 64 KBytes

As páginas de 16 KBytes são trocadas por comandos de I/O nos endereços 0FCh a 0FFh. Com esse artifício somado ao Expansor de Slot podemos ter até 64 Mega Bytes de memória acessadas pelo Z80.

Clique para abrir MAPPER.pdf

DRAM - Memória RAM Dinâmica

Circuito de multiplexação das linhas de endereço das memórias RAM Dinâmicas, geração da temporização dos sinais de acesso às memórias RAS, CAS e WE e formação do endereço de REFRESH.

Clique para abrir DRAM.pdf

Turbo 7.14MHz

Circuito exclusivo da Expert4 que dobra a velocidade do sinal de CLOCK para os circuitos principais que podem ter seu acesso acelerado melhorando o desempenho.

No BASIC foram adicionados os comandos TURBOON, TURBOOFF e TURBO que ligam, desligam ou trocam o modo TURBO.

Clique para abrir TURBO.pdf

SLOTS - Conectores para Cartuchos

Na EXpert4 além dos conectores originais frontais, Conector-A e Conector-B, foram adicionados 2 conectores internos, Conector-C e Conector-D para permitir a conexão de cartuchos permanentes, como uma Interface de Drive, uma Interface IDE ou a Megaram.

A placa do Expansor Interno é conectada ao Slot-C/D que já tem os sinais do Expansor de Slot interno prontos para uso.

Clique para abrir SLOTS.pdf

Capacitores de Desacoplamento

Grupo de capacitores ligados entre o VCC (5V) e GND (0V) e colocados ao lado de cada circuito integrado para minimizar a transmissão de rúido quando os integrados fazem chaveamento de sinias em alta frequência.

Clique para abrir CAPS.pdf

CPU Externa

Conexão para acesso completo aos sinais da CPU Z80 antes dos buffers, reservado para futuras adaptações.

Clique para abrir CPUEXT.pdf